首页>> 产品中心>> MOSFET>> Trench MOS>>

Trench MOS
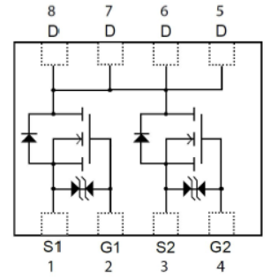
Part Number Download Circuit Status Type Process

ESD

Yes/No

VDS

V

VGS

V

ID

A

VGS(TH)

V

RDS(mΩ)@VGS

10V Typ

RDS(mΩ)@VGS

10V Max

RDS(mΩ)@VGS

4.5V Typ

RDS(mΩ)@VGS

4.5V Max

Package
Active
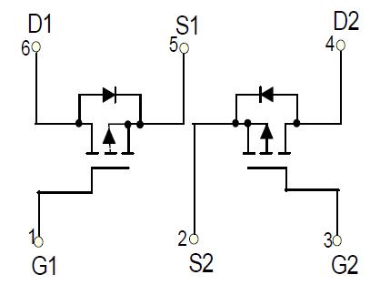
Dual N
Dual-N
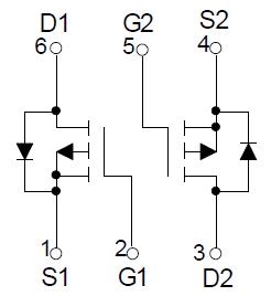
Dual-P
N/P-ch
Single-N
Single-P
Trench
No
Yes
±10
±12
±16
±20
±25
±30
±6
±7
±8
-0.35~-1.1
-0.3~-1
-0.45~-1.2
-0.4~-0.9
-0.4~-1
-0.4~-1.0
-0.4~-1.3
-0.5~-0.9
-0.5~-1
-0.5~-1.2
-0.5~-1.5
-0.6~-1.4
-0.6~-1.5
-1.5
-0.7
-0.7~-1.3
-0.9~-2
-1.0~-2.5
-1.0~-3.0
-1.1~-2.2
-1.2~-2.2
-1.5~-2.5
-1.5~-3
-1.5~-3.5
-1~-2
-1~-2.2
-1~-2.5
-1~-3
-1~-2.5
-1~-3
-2~-3
-2~-4
0.35~1.1
0.35~1.4
0.35~2.5
0.3~1.1
0.45~1
0.45~1.1
0.45~1.2
0.4~1
0.4~1.0
0.4~1.1
0.4~1.2
0.4~1.4
0.4~1.5
0.5~0.9
0.5~1
0.5~1.1
0.5~1.2
0.5~1.3
0.5~1.5
0.5~2
0.5~2
0.65~1.2
0.65~1.20
0.65~1.5
0.6~1
0.6~1.2
0.6~1.4
0.6~1.5
0.7~1.4
0.7~1.5
0.7~3
0.8~1.5
0.8~3
0.9~1.5
1
1.0~2.5
1.2~2.5
1.2~2.8
1.2~3
1.3~2.3
1.3~2.5
1.5
1.5~2.5
1~2
1~2.2
1~2.5
1~2.8
1~3
1~2.2
1~2.5
1~3
2~4
CSPB1111-4
CSPB1313-4
CSPB1515-4
CSPB1717-4
CSPB1912-6
CSPB2213-6
CSPB2217-6
CSPC2019-10
CSPC2115-10
CSPC2624-10
CSPC3015-10
CSPC3028-14
CSPC3030-14
CSPC3220-10
CSPC3421-10
DFN1006-3L
DFN1006-3L-A
DFNWB2x2-6L
DFNWB2x3-6L
DFNWB3x3-8L
DFNWB5x2-6L
PDFNWB3.3x3.3-8L
PDFNWB3.3x3.3-8L-B
PDFNWB5x6-8L
PDFNWB5x6-8L-A
SOP8
SOT-223
SOT-23
SOT-23-3L
SOT-23-6L
SOT-323
SOT-363
SOT-523
SOT-563
SOT-723
SOT-89-3L
TO-220-3L-C
TO-220F
TO-251
TO-252-2L
TO-92
TSSOP8
WBFBP-03E
CJBM3020


Active
Dual-N
Trench
No
30
±20
20
1~3
8.5
14
11.5
18
DFNWB3x3-8L
CJBE5005


Active
Dual-N
Trench
Yes
20
±12
10
0.4~1
-
-
9.3
11.5
DFNWB3x3-8L
CJBD3020


Active
Dual-N
Trench
No
30
±20
20
1~3
9.5
15
14.5
20
PDFNWB3.3x3.3-8L-B
CJAE2002


Active
Dual-N
Trench
Yes
18
±12
15
0.4~1
-
-
4.4
5.5
DFNWB3x3-8L
CJ7252KDW


Active
N/P-ch
Trench
Trench
Yes
Yes
60
-50
±20
±20
0.34
-0.18
1~2.5
-0.9~-2
900
4100
5000
8000
1100
5500
5300
10000
SOT-363
CJ3439KDW


Active
N/P-ch
Trench
Trench
Yes
Yes
20
-20
±12
±12
0.75
-0.66
0.35~1.1
-0.35~-1.1
-
-
-
-
260
430
380
520
SOT-363
CJAC0410


Active
N/P-ch
Trench
Trench
No
No
100
-100
±20
±20
4
-4
1~2.5
-1~-2.5
160
237
185
270
168
252
195
330
PDFNWB5x6-8L-A
CJX3139K


Active
Dual-P
Trench
Yes
-20
±12
-0.66
-0.35~-1.1
-
-
450
520
SOT-563
CJQ4953


Active
Dual-P
Trench
No
-30
±20
-5
-1.5
50
60
66
90
SOP8
CJMPD11


Active
Dual-P
Trench
No
-20
±8
-2.3
-0.4~-1
-
-
70
110
DFNWB2x2-6L
CJMPD08


Active
Dual-P
Trench
No
-12
±8
-3.6
-0.4~-1
-
-
35
60
DFNWB2x2-6L
CJL2623


Active
Dual-P
Trench
No
-30
±20
-3
-1~-3
75
130
115
180
SOT-23-6L
CJL2301


Active
Dual-P
Trench
No
-20
±8
-2.3
-0.4~-1
-
-
58
90
SOT-23-6L
CJL1206


Active
Dual-P
Trench
No
-12
±8
-6
-0.5~-0.9
-
-
30
45
SOT-23-6L
CJ3139KDW


Active
Dual-P
Trench
Yes
-20
±12
-0.66
-0.35~-1.1
-
-
430
520
SOT-363
CJ3134KDW


Active
Dual-N
Trench
Yes
20
±12
0.75
0.35~1.1
-
-
270
380
SOT-363
2N7002V


Active
Dual-N
Trench
No
60
±20
0.115
1~2.5
900
2500
1100
3000
SOT-563
2N7002KDW


Active
Dual-N
Trench
Yes
60
±20
0.34
1~2.5
900
2500
1100
3000
SOT-363
2N7002DW


Active
Dual-N
Trench
No
60
±20
0.115
1~2.5
1100
2500
1200
3000
SOT-363
CJAC20N06D


Active
Dual-N
Trench
No
60
±20
20
1~2.5
17
25
22
35
PDFNWB5x6-8L-A